聯系人:王經理
銷售電話:15610293837
銷售QQ:2962700085
公司地址:山東省濰坊高新區新城街道玉清社區光電路155號濰坊高新區光電產業加速器(一期)1號樓301

PRODUCT CENTER
聯系人:王經理
銷售電話:15610293837
銷售QQ:2962700085
公司地址:山東省濰坊高新區新城街道玉清社區光電路155號濰坊高新區光電產業加速器(一期)1號樓301
空氣質量傳感器又稱空氣傳感器,室內環境監測系統,空氣質量傳感器主要用于檢測空氣環境中的溫度、濕度、PM2.5、PM10、CO2、甲醛等多種要素,基本涵蓋了反映室內空氣質量的各個指標。
一、空氣質量傳感器產品簡介
空氣質量傳感器又稱空氣傳感器,室內環境監測系統,空氣質量傳感器主要用于檢測空氣環境中的溫度、濕度、PM2.5、PM10、CO2、甲醛等多種要素,基本涵蓋了反映室內空氣質量的各個指標。
山東萬象環境科技有限公司作為專業研發生產銷售微型氣象儀的企業,一直致力于微型氣象儀和氣象環境解決方案推廣應用。具有完整的生產鏈、實力雄厚的技術團隊和全面的營銷團隊,我們研發生產的超聲波風速風向儀、五要素微氣象儀、六要素微氣象儀和小型自動氣象站等氣象產品,已廣泛應用到氣象監測、城市環境監測、風力發電、航海船舶、航空機場、橋梁隧道等領域,客戶遍布全國各地,并取得了良好的社會效益和經濟效益。
與傳統的微型氣象儀相比,我司產品克服了對高精度計時器的需求,避免了因傳感器啟動延時、解調電路延時、溫度變化而造成的測量不準問題。
WX-WQX8型八要素微氣象儀創新性地將氣象標準參數(風速、風向、溫度、濕度、氣壓、pm2.5、pm10、噪聲)通過一個高集成度結構來實現,可實現戶外氣象參數24小時連續在線監測,通過數字量通訊接口將八項參數一次性輸出給用戶。產品結構緊湊,外形美觀、大方、高度集成。
二、產品特點
1、頂蓋隱藏式超聲波探頭,避免雨雪堆積的干擾,避免自然風遮擋
2、原理為發射連續變頻超聲波信號,通過測量相對相位來檢測風速風向
3、風速、風向、溫度、濕度、氣壓、pm2.5、pm10、噪聲八要素一體式
4、采用先進的傳感技術,實時測量,無啟動風速☆
5、抗干擾能力強,具有看門狗電路,自動復位功能,保證系統穩定運行
6、高集成度,無移動部件,零磨損
7、免維護,無需現場校準
8、采用ASA工程塑料室外應用常年不變色
9、產品設計輸出信號標配為RS485通訊接口(MODBUS協議);可選配232、USB、以太網接口,支持數據實時讀取☆
10、可選配無線傳輸模塊,最小傳輸間隔1分鐘
11、探頭為卡扣式設計,解決了運輸、安裝過程松動不準的問題☆
三、技術參數
1.風速(標配):量程:0~60m/s;分辨率0.01m/s;精度:±0.1m/s
2.風向(標配):量程:0~360°;分辨率:1°;精度:±2°
3.空氣溫度(標配):量程:-40-60℃;分辨率0.01℃;精度:±0.3℃(25℃)
4.空氣濕度(標配):量程:0-100%RH;分辨率:0.01%RH;精度:±3%RH
5.大氣壓力(標配):量程:30-110Kpa;分辨率0.01Kpa;精度:±0.25%
6.PM2.5(標配):量程:0-1000ug/m3;分辨率1ug/m3;精度:±10%(<500微克)
7.PM10(標配):量程:0-1000ug/m3;分辨率1ug/m3;精度:±10%(<500微克)
8.噪聲(標配):量程:30-120dB;分辨率0.1dB;精度:±1.5dB
9.其他可選配要素:壓電雨量、TSP、一氧化碳、二氧化硫、二氧化氮、臭氧、光照度、光學雨量、總輻射、二氧化碳、氧氣含量、硫化氫、氫氣、氯氣、氨氣、氯化氫、氰化氫、氟化氫、磷化氫、二氧化氯、環氧乙烷、一氧化氮、過氧化氫、四氫噻吩、甲醛、VOC、催化燃燒可燃氣
9.功率:0.72W
10.整機取得省級校準證書
11.生產企業為3A級信用企業
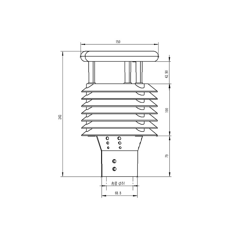
四、產品尺寸圖
五、產品結構圖
1、控制電路
2、指北箭頭
3、超聲波探頭
4、百葉箱PM2.5、PM10
5、溫度、濕度、噪聲、氣壓監測位置
6、法蘭轉換頭
※此產品可選配電子羅盤功能
六、產品接線定義
定義 | 備注 | |
VCC | 電源正 | DC12V |
GND | 電源地 | |
485A | RS485A | |
485B | RS485B |
WX-SW2水庫水位雨量實時監測站還具備強大的數據傳輸能力。通過穩定的通信網絡,監測站能夠將采集到的數據實時上傳至云端或數據中心,供管理人員進行遠程訪問和分析。這種數據傳輸方式不僅提高了工作效率,還使得管理人員能夠隨時隨地掌握水庫的動態情況,為及時應對潛在風險提供了有力支持。···
農田是一個相對獨立的小生態環境,與周邊大環境的氣候狀況存在一定差異。WX-NQ14農田小氣候觀測系統就像一位敏銳的感知者,能夠精準地捕捉到農田內的各種氣候要素變化。它不受傳統氣象觀測站布局和范圍的限制,深入到農田內部,實時感知著這片土地上的“微氣候”。無論是清晨的露水凝結,還是午后的高溫炙烤,亦或是夜晚的低溫侵襲,系統都能及時記錄下來,為農業生產者提供最貼近農田實際的氣候信息。···
WX-BGF11太陽能光伏氣象站的核心在于其高效的太陽能發電系統。通過安裝光伏板,氣象站能夠充分利用太陽能資源,將其轉化為清潔、可再生的電力,從而實現對氣象監測設備的持續供電。這種綠色能源的利用方式,不僅降低了對化石燃料的依賴,減少了碳排放,還提高了能源利用效率,為環境保護事業作出了積極貢獻。···
負氧離子是景區氣象監測站重要的監測目標之一,負氧離子濃度高說明景區環境較好,濃度低說明需要加強環境建設,以此來吸引游客,建立目的是為了更好地了解公園內的生態環境,為環境保護提供科學依據。除了負氧離子監測,WX-FLZ10景區氣象監測站還可以監測空氣溫度、空氣濕度、PM2.5、PM10等,通過對這些氣象要素進行長期、連續的觀測,能夠及時掌握公園內的氣候變化情況···
WX-CSQX12智能生態氣象站通過精準的氣象數據監測,為生態環境保護提供了有力支持。在空氣質量監測方面,十二要素一體式傳感器能夠實時捕捉PM2.5、PM10等污染物的變化,為環保部門提供及時、準確的數據支持,助力大氣污染防治工作。同時,通過監測輻射、溫度等要素,氣象站還能為生態保護和生物多樣性研究提供重要依據。···
WX-YJ2壓電式雨量監測站采用壓電傳感器技術,能夠精準捕捉雨滴信號。當雨滴落在傳感器表面時,會對傳感器施加沖擊力,導致壓電材料發生形變并產生電荷。電荷量的大小與雨滴的沖擊力成正比,從而實現對降雨強度的精確測量。這種高精度數據采集與處理,確保了監測結果的穩定性和可靠性。···