聯系人:王經理
銷售電話:15610293837
銷售QQ:2962700085
公司地址:山東省濰坊高新區新城街道玉清社區光電路155號濰坊高新區光電產業加速器(一期)1號樓301

PRODUCT CENTER
聯系人:王經理
銷售電話:15610293837
銷售QQ:2962700085
公司地址:山東省濰坊高新區新城街道玉清社區光電路155號濰坊高新區光電產業加速器(一期)1號樓301
不銹鋼壓電雨量傳感器又稱壓電雨量計,金屬款壓電雨量傳感器,不銹鋼壓電雨量傳感器是一款不銹鋼材質的雨量計,強度高、抗氧化、抗腐蝕,可用于水文水利綜合監測站遙測降水量、降水強度、降水起止時間。
一、不銹鋼壓電雨量傳感器產品概述
不銹鋼壓電雨量傳感器又稱壓電雨量計,金屬款壓電雨量傳感器,不銹鋼壓電雨量傳感器是一款不銹鋼材質的雨量計,強度高、抗氧化、抗腐蝕,可用于水文水利綜合監測站遙測降水量、降水強度、降水起止時間。
本壓電雨量傳感器采用PVDF壓電薄膜作為感雨器件,通過嵌入式AI神經網絡分辨雨滴信號,避免因砂礫、灰塵、振動等干擾帶來誤觸發。
廣泛應用于氣象環境監測、水文水利綜合監測站、交通道路監測、農林、風力發電等有關部門用來遙測降水量、降水強度、降水起止時間。用于防洪、供水調度、電站水庫水情管理為目的水文自動測報系統、自動野外測報站等。
二、不銹鋼壓電雨量傳感器功能特點
1.一體化設計,外觀精美
2.無機械配件,無任何外露部件,可過濾樹葉、塵土、蟲子等環境因素所引入的相似信號
3.測量精度高,量程寬,穩定性能好,低功耗,抗外界干擾能力強
4.可全天候工作,不受天氣變化的影響,精確到秒的降雨時長監測
5.免維護,雨滴接觸面為弧形設計結構,不存儲雨水
6.安裝后帶有自動水平校準功能,無需現場校準
7.體積小巧,攜帶、拆卸安裝方便
8.不銹鋼材質,強度高、抗氧化、抗腐蝕
三、不銹鋼壓電雨量傳感器技術參數
測量范圍 | 0-4mm/min |
測量精度 | ≤±4% |
分辨率 | 0.01mm |
采樣頻率 | <1S |
通訊接口 | RS485 |
通訊協議 | MODBUS |
電源 | DC12V |
功耗 | 0.12W |
工作溫度 | -40~85℃ |
工作濕度 | 0~100%RH |
加熱模塊(選配) | 電流:1A(DC12V) |
功耗:12-15W |
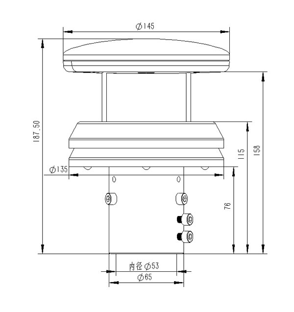
四、不銹鋼壓電雨量傳感器產品尺寸圖

五、產品結構圖

六、注意事項
1.傳感器水平周圍1米半徑無遮擋,避免水滴飛濺影響
2.傳感器安裝位置應避開強機械振動源
3.傳感器安裝上方應為開闊區域,雨滴應直接滴落至傳感器,應免二次滴落和連續水流沖擊
WX-NJD50能見度觀測儀是一種專門用于測量大氣中視程障礙物的專業設備,其工作原理基于散射光測量技術。通過發射特定波長的光束并接收其在大氣中的散射光信號,能見度觀測儀能夠精確計算出大氣中的能見度距離。這一技術不僅確保了測量的高精度,還為氣象觀測提供了可靠的數據支持。···
水是農業的命脈,但水資源的浪費和不合理利用一直是制約農業可持續發展的瓶頸。通過WX-NQ14無線農業氣象監測站收集的數據,農民可以精確掌握土壤水分狀況,實現按需灌溉,既避免了水資源的過度消耗,又確保了作物的最佳生長條件。這種精準農業的實踐,不僅提高了灌溉效率,還顯著提升了農作物的產量和品質。···
WX-BGF11光伏氣象站的建設方案核心在于將光伏發電板與氣象監測設備相結合,實現能源利用與氣象數據收集的雙重目標。在選址上,光伏氣象站傾向于光照充足、風力較小、空氣質量優良的地區,以確保光伏板發電效率的同時,也能獲得準確的氣象數據。在智能農業方面,光伏氣象站為農業生產提供了精準的氣象數據支持。···
在農業生產中,WX-CQX8八要素一體式氣象站如同一位智慧的“田間管家”。它能夠實時監測農田的氣象條件,包括溫度、濕度、降水量等,為農民提供精準的氣象信息。農民可以根據這些數據,合理安排灌溉、施肥、病蟲害防治等農事活動,從而提高農作物的產量和質量。此外,氣象站還能提前預警極端天氣,如干旱、洪澇等,幫助農民采取有效措施,減少災害損失。···
WX-CQ11小學氣象站是一款坐落于校園內的氣象監測系統,它與常規的氣象站不同,它的實施首要任務是監測校園內的氣象條件,還有一個任務就是幫助了解氣象方面的知識。它不僅可以預知天氣,讓孩子們及時加減衣物,還可以培養孩子興趣,不斷拓展學校科普教育渠道,引導青少年學生探索科學奧秘。小學氣象站可以根據需求配備不同的傳感器···
河道流量監測往往依賴于接觸式傳感器,如流速儀、水位計等,這些設備雖在一定程度上滿足了監測需求,但安裝維護復雜,易受環境因素影響,且長期置于水中易受損。相比之下,非接觸式WX-SW4河道流量監測系統則通過雷達、激光、紅外等先進技術,實現了對水體流速和水位的遠程、無接觸測量,大大提升了監測的便捷性和準確性。···